Latest Presidential visit at the CDC showcases CSBio's peptide synthesizers
The President of the United States recently visited the Centers for Disease Control and Prevention (CDC), focused on the control of the spread of Covid-19...
In this case study, we talk about CSBio's peptide synthesizer platform and knowledge that allows companies to utilize our peptide synthesizers during the early days of drug discovery, all way through commerical scale manufacturing
When a multinational pharmaceutical company initiated their in-house manufacturing of peptides in the early phases of drug discovery, they came to CSBio for their instrumentation needs. As a manufacturer of custom peptide synthesizers from small scale to large scale manufacturing, this pharmaceutical company knew they had a partner that could meet all of their instrumentation needs from drug discovery to commercial manufacturing for process development and scale up ease.
During drug discovery for lead optimization, this pharmaceutical company determined they needed a reliable small scale synthesizer to produce peptide analogs which would be used in testing to determine the best analog for scale-up and clinical trials. As a fair amount of material would be required for this testing (20-100 mg) and flexibility in the synthesis protocol was important, they turned to the CS136 which enabled their discovery lab to rapidly synthesize dozens of peptide analogs in a short amount of time with enough material produced for multiple tests and assays.
Once a primary peptide drug candidate was selected, the peptide chemists at this pharmaceutical company were tasked with making a continuous supply of high purity peptide for toxicological studies, PK studies, formulation work and additional assay testing. Grams of peptide were now required, so the pharmaceutical company set up a CS536 system in the process development laboratory to accomplish this task.
To manage the scale up transition from small scale to large scale manufacturing, a second CS536 system was purchased shortly thereafter and customized with both a 180° inversion mixing system and overhead stirring. This unique design was a collaboration between CSBio design engineers and the pharmaceutical company to add an extra layer of confidence in their methodology as they prepared for the scale up transition from inversion mixing to overhead mixing, which would ultimately be required for large scale manufacturing of the peptide drug.
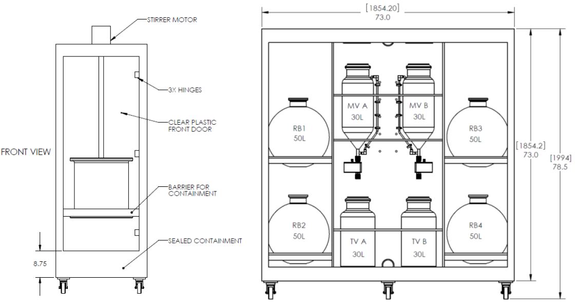
As the pharmaceutical company moved into late stage clinical trials the new task at hand was scaling up for commercial manufacturing. CSBio and the pharmaceutical company worked closely together to design a CS936 production scale synthesizer that would suit their exact large scale production requirements. It was imperative that the transition from R&D scale to process scale to manufacturing was as seamless as possible. As all CSBio synthesis systems use the same 21 CFR Part 11 compliant CSPEP software®, the transition from milligrams to grams to kilograms was made much easier as the synthesis protocols could be transferred up the production scale.
The CS936 unit was synthesizing manufacturing runs immediately upon installation/operational qualification as there was virtually no learning curve for the manufacturing group. CSBio has purposely designed our systems to make scale up from R&D to commercial manufacturing as easy as possible.
CSBio provides customers with peptide synthesizers that fit their exact needs throughout the lifecycle, whether it’s during early drug discovery or late stage commercial manufacturing. By working intimately with customers coupled with over 30 years of peptide and instrumentation knowledge, customers can trust they have a partner to ensure a successful project.
Interested in any of our peptide synthesizers? Get in touch with us.
The President of the United States recently visited the Centers for Disease Control and Prevention (CDC), focused on the control of the spread of Covid-19...
Synthesis of peptides at any length requires extreme attention to detail for accuracy and purity of the desired compound...
The latest peptide research around the world focused on defeating coronavirus.
CSBio is a leading peptide and instrumentation manufacturing company located in Silicon Valley, California.
CSBio provides nonGMP and cGMP peptides, peptide APIs, research scale peptide synthesizers, commerical scale peptide synthesizers, DNA/RNA oligonucleotide synthesizers, and preparative HPLC purification equipment.
915 Linda Vista Ave
Mountain View, CA, 94043
+1-650-525-6200